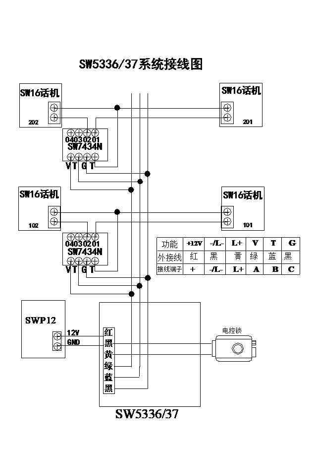
賽克新威SW5336兩線制編碼對講系統接線圖

【重點行業移動源應急管控系統】【環保門禁電子臺賬系統】【環保車輛門禁系統】【大宗物料運輸企業管控門禁系統】【校園電子門禁系統】【門禁式定員監控系統】【云停車】【云對講】【IP對講】【智慧社區】【醫院養老院護理對講】【電子收費停車場】【智能停車】【車牌識別系統】【停車場管理系統】【自動道閘】【直桿道閘】【折臂道閘】【柵欄道閘】【廣告道閘】【空降閘】【AI智能人臉識別門禁設備】【指紋考勤門禁】【門禁一體機】【讀卡器】【門禁控制器】【商超消費機】【水控機】【訪客一體機】【電子巡更棒】【電梯刷卡】【電梯五方對講】【鐵路銀行監獄設備】【擺閘】【三輥閘】【翼閘】【十字轉閘】【崗亭】【執法記錄儀】【清華同方綜合布線】【清華同方門禁一卡通】【??低暢鋈肟凇?/span>【賽克新威樓宇對講】【防爆門禁系統】
聯系我們:
地址:石家莊市新華區華強電子通訊城F4-109-160
電話:0311-86859996
投訴電話:18931132228
郵件:succblr@126.com
網址:m.emeeo.com


